Acéltokok

Profi megoldások minden falnyílásba!

Acéltokok, melyek bírják a mindennapok megpróbáltatásait.

Minőségi terméket vásárolni nemcsak megnyugtató érzés, hanem hosszútávon kiváló befektetés, mellyel sok pénzt takaríthatunk meg.

Ahogy egy lakás háztartási gépeinek (kazán, bojler, elektromos berendezések) beszerzésénél, úgy az ajtótokok kiválasztásánál is fontos szerepet játszik a minőség. A jó ajtótok mérettartó, stabilan
tartja az ajtólapot, és még akkor is a helyén maradhat, ha az ajtólapot kicseréljük.

A Novoferm acéltokok minden nyílásba pontosan illeszkednek, masszívak, stabilak, és jól bírják a mindennapok megpróbáltatásait!

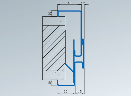
Stahlzarge mit Doppelfalz
Előnyök pontokba szedve:

1. Nagyfokú stabilitás, hosszú élettartam

2. Széles típusválaszték minden beépítési helyzethez

3. Gipszkartontokok, kőműves tokok, egyedi tokmegoldások

4. Többféle toktípus többrészes, összeszerelhető kivitelben is.

Több részből összeszerelhető tokok kartondoboz csomagolásban

A több részből összeszerelhető acéltokok előnyeit az itt látható kis videóban foglaltuk össze. A kartondoboz csomagolásnak köszönhetően könnyen szállítható, mozgatható és az összeszerelése is gyerekjáték.

Termékeinkről további videókat a  Novoferm YouTube-csatornán talál:

https://www.youtube.com/user/NovofermVideos

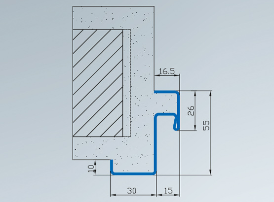
Novoferm kőműves acéltokok

Idő- és értékálló: ez jellemzi a hagyományos építészetet. Ugyanezt az alapelvet követik a Novoferm kőműves acéltokjai, melyeket a DIN 18111 szabvány szigorú előírásai szerint állítanak elő. Az alaptípusok mellett számtalan speciális megoldásra szánt variáció létezik.
 

Novoferm gipszkarton acéltokok

Az élet folyamatosan változik, és vele együtt az ember igényei is, melyeket a lakó és munkakörnyezetével szemben támaszt. Az élethelyzet gyors megváltozásával új terek, helyiségek kialakítása válik szükségessé. A Novoferm gipszkarton tokok megfelelnek az új kihívásoknak, szerelésük gyors, tiszta és egyszerű. Jellemzőjük a minőségi, masszív alapanyag, a modern külső és stabil, vetemedésmentes tartás.

3-részből összeszerelhető tokok minden faltípushoz

Mindegy, hogy normál falcos, dupla falcos, díszfalcos vagy rádiuszos tokról van szó, sokféle Novoferm toktípus a gyors és egyszerű szállítás érdekében több részre szétszerelt változatban is elérhető.

A praktikus kartondoboz csomagolású tokokat akár csomagküldő szolgálattal is házhoz szállíttathatja.

Az újfajta trapézfüleknek köszönhetően a kétrészes profiltípusok szerelése is egyszerű, gyors és biztonságos.

 

Kartondoboz csomagolás - optimális szállítás
Előnyök pontokba szedve:

3-részre szétszerelt elemek

Kompakt csomagolás

Optimális védelem szállítási sérülések ellen

Könnyen raktározható

Személyautóval szállítható

Csomagszállító céggel is házhoz szállítható

Egyszerűen összeszerelhető

Felkeltettük érdeklődését?