BIZTONSÁGI ACÉL AJTÓELEMEK

TÖKÉLETES MEGOLDÁSOK - BIZTONSÁG MINDEN TERÜLETEN

Vagyonvédelem, személyvédelem - a biztonságnak számos aspektusa van
A Novoferm biztonsági acélajtók számos felhasználási területre alkalmasak, elsősorban középületekben - például egy-egy vállalat belső biztonsági követelményeinek teljesítésére, legyen az iroda, műhely, raktár vagy üzemi átjáró ajtó. A biztonsági multifunkciós ajtók kombinálhatók tűz-, füst- vagy hanggátlással, melyek tovább szélesítik a felhasználási lehetőségeket. Álljon itt néhány példa arra, hogy hol tehetnek jó szolgálatot a Novoferm biztonsági acél ajtóelemek: pincehelyiségek, hátsó (mellék) bejáratok, lakás és gazdasági helyiség közötti átjárás, garázs-kert kijárat, műhely-iroda bejárat, orvosi rendelők-gyógyszerszobák, szerver vagy más számítástechnikai helyiségek, társasházi emelet-bejáratok, üzlethelyiségek, raktárak, gyártóüzemek hátsó bejáratai.

Az üvegezési lehetőségek, a legkülönbözőbb kiegészítő felszerelések és nem utolsósorban a válaszható egyedi színek mind az szolgálják, hogy acélajtóink biztonságosak, vonzóak és a Novoferm szakértelmének köszönhetően mindenhol elfogadottak és kedveltek legyenek.

Biztonsági acélajtók áttekintése

RC 2-es biztonsági acélajtó
áttörésgátlás: 3 perc
vastag falcos vagy falc nélküli kivitelben

RC 3-as biztonsági acélajtó
áttörésgátlás: 5 perc
vastag falcos kivitelben

RC 4-es biztonsági acélajtó
áttörésgátlás: 10 perc
vastag falcos kivitelben

RC 2 / RC 3 / RC 4 
biztonsági acélajtók
típustól függően Ei30, Ei60 vagy Ei90 perces tűzgátlással

Biztonsági acélajtók összehasonlítása és tulajdonságai

Betörésvédelmi osztályok és elkövetői módszerek
Betörésvédelmi osztály
DIN EN 1627 szerint

RC 2 (WK 2)

RC 3 (WK 3)

RC 4 (WK 4)

RC 3 (WK 3)
/ FB 4

RC 3 (WK 3)
/ VPAM P6

Áttörésgátlás
EN 1627 szerint

3 perc

5 perc

10 perc

5 perc

5 perc

Elkövető 
EN 1627 szerint

 

alkalmi elkövető

betörő

tapasztalt betörő

betörő

betörő

Elkövetői magatartás felhasznált eszközök
EN 1627 szerint

“A2” készlet:
egyszerű szerszámok, például csavarhúzó, fogó, ékek, kézi fűrész

“A3” készlet:
A2-es készlet + második csavarhúzó, feszítővas, fűrész,  kalapács, mechanikus fúró

A4” profi készlet:
 A2 + A3 készlet +
kalapács, fejsze, csapszegvágó, hidegvágó, asztalos véső, akkus fúrógép, lemezvágó olló

feltörési kísérlet egy második csavarhúzóval és feszítővassal
kiegészítő
lövedékállóság: kézi fegyverekhez  kaliber:
44 Rem.Mag. 

feltörési kísérlet egy második csavarhúzóval és feszítővassal
kiegészítő
lövedékállóság:
támadófegyverekhez
(AK-47) 7,62 x 39 mm (FJ/PB/ SC) 

Tűzgátlás
EN 13501-2 szerint
* Tűzgátlás nélkül
* EI2 30 
* EI2 60 
* EI2 90
* Tűzgátlás nélkül
* EI2 30 
* EI2 60 
* EI2 90
* Tűzgátlás nélkül
* EI2 30 
* EI2 60 
* Tűzgátlás nélkül 
* EI2 30 
* Tűzgátlás nélkül 
* EI2 30 
Füstgátlás

(4 oldalon körbefutó tömítés)

- füstgátlás nélkül


- füstgátlással

Hanggátlás

23 - 44 dB

23 - 44 dB

22 - 47 dB

21 - 38 dB

21 - 38 dB

Hőátbocsátási tényező
U-érték

1,5 W/m2K

1,8 W/m2K

1,8 W/m2K

1,8 W/m2K

1,8 W/m2K

Vizsgált teljesítménytulajdonságok
külső ajtók esetében

*

Légáteresztő képesség, vízzárás, szélterheléssel szembeni ellenállás.

KülalakAlapfelszereltség: ajtólap/tok horganyzott, RAL 9016 fehér színre alapozott, opcionálisan választható más  RAL színben is.
Üvegezés

*

*

-

*

*

* lehetséges      - nem lehetséges
Betörésvédelmi osztályok és felhasznált szerszámok

RC2


Betörésvédelmi osztály: RC2 (WK2)
Áttörésgátlás: 3 perc*
Az alkalmi elkövető egyszerű szerszámokkal próbál betörni: csavarhúzót vagy fogót használ, ékeket üt be vagy kis kézi fűrészt használva megpróbálja a pántokat levágni.


"A2" szerszámkészlet:
A támadást az alábbi, egyszerű szerszámokkal tesztelték: csavarhúzó, csőfogó, fa vagy műanyag ékek, kézi fűrészek (fa, fém, illesztő). A teszt során az ékeket vagy a csavarhúzót gumikalapáccsal ütötték be, hogy a kézi ütéseket szimulálják.

RC3


Betörésvédelmi osztály: RC3 (WK3)
Áttörésgátlás: 5 perc*
A betörő már jobban felszerelt, rendelkezik egy második csavarhúzóval, egy feszítővassal és különféle kéziszerszámokkal (kis kalapács, mechanikus fúró stb.), hogy az ajtólapot erőteljesebben próbálja meg kiemelni. A fúrószerszámmal a zárat támadhatja.

"A3" szerszámkészlet:
A tesztelés során a kalapáccsal vagy a feszítővassal nem szabad az ajtólapot közvetlenül ütni. A szerszámok csak feszítésre, kiemelésre vagy átszúrásra használhatók.
Az "A2" szerszámkészleten felül a további szerszámok állnak rendelkezésre: második csavarhúzó, feszítővas, fűrész, kalapács, kézi fúró

RC4


Betörésvédelmi osztály: RC4 (WK4)
Áttörésgátlás: 10 perc*
A tapasztalt elkövető profi szerszámkészlettel rendelkezik: fűrészt, különböző ütőszerszámokat, fejszét, csapszegvágót és akkus fúrógépet használ. Az eszközök bővülése miatt lényegesen nagyobb felületre tud támadást intézni. A betörő kockázatvállalási hajlandósága is nagyobb, mindáron be akar jutni a helyiségbe.

"A4" szerszámkészlet
Az eszközök szélesebb köre veszélyesebbé teszi a támadást. Az "A1" és "A2" szerszámkészleten felül a következő szerszámok is rendelkezésre állnak:  kalapács, fejsze, csapszegvágó, hidegvágó, asztalos véső, akkus fúrógép, lemezvágó olló.

 

* Az áttörésgátlási idő a vizsgálat során mért tényleges támadási idő, melyet az első szerszám bevetésétől mérnek. Ahogy nő a betörésvédelmi osztály, úgy növekszik az áttörésgátlási idő és úgy bővül a felhasznált szerszámok köre és hatékonysága.  

Biztonsági acélajtók kiegészítő funkciói
 



E-S-6 
1 szárnyú



E-S-1 
1 szárnyú



E-S-2 
2-szárnyú

Vastag falc

*

*

*

EI2 30

 

*

*

Füstgátló

 

*

*

Hanggátló

*

*

*

RC2 biztonsági

*

*

*

RC3 biztonsági

 

*

*

RC4 biztonsági

 

*

 

Hőszigetelt

*

*

*

Kültéri használatra is

*

*

*

DIN EN 14351-1

*

*

*

* lehetséges kivitel

 

Biztonsági acélajtók típusáttekintése

Típus

Falc/ lemez-vastagság

Tűzgátlás
EN 13501-2
szerint

Füstgátlás
EN 1634-3 szerint

Betörésgátlás
EN 1627 szerint

Hanggátlás RWp
laborérték

Hőátbocsátás U-érték 
W/m2K

Rendelési méret mm

NovoSecur® 
E-S 6

1 szárnyú

Vastag falc
1,0

-

-

RC 2

33 dB1)

29 dB3)

34 dB2)

 

1,7

min. 
625 x 1750

max. 
1250 x 2500

Premio E-S-1
RC2

1 szárnyú

 

 

 

Premio E-S-1 GE- nagyméret

1 szárnyú

Vastag falc 1,0/1,5

-

*

RC 2

40 dB1)

43 dB2)

42 dB4)

1,5

min. 
625 x 1750

max. 
1375 x 2500

 

Vastag falc
1,0

-

*

RC 2

39 dB1)

41 dB2)

 

1,6

max. 
1500 x 3000

Premio E-S-2
RC2

2 szárnyú

 

 

Premio E-S-2 GE nagyméret

2 szárnyú

Vastag falc 1,0/1,5

-

*

RC 2

39 dB1)

41 dB2)

42 dB4)

1,5

min. 
1375 x 1750

max. 
2500 x 2500

Vastag falc
1,0

-

*

RC 2

37 dB1)

40 dB2)

 

1,6

max. 
3000 x 3000

Premio E-S-1
RC3

1 szárnyú

Vastag falc
1,5

-

*

RC 3

39 dB1)

44 dB2)

43 dB4)

1,8

min. 
625 x 1750

max. 
1375 x 2500

Premio E-S-2
RC3

2 szárnyú

Vastag falc
1,5

-

*

RC 3

39 dB1)

42 dB2)

41 dB4)

1,9

min. 
1375 x 1750

max. 
2500 x 2500

Premio E-S-1
RC4

1 szárnyú

Vastag falc
1,5

El2 30

El2 60

El2 90

*

RC 4

38 dB1)

46 dB2)

39 dB3)

1,8

min. 
625 x 1750

max. 
1375 x 2500

A megadott értékek az ajtótípustól és a beépítési szituációtól függenek.     * Rendelhető      - Nem rendelhető

1) süllyedőküszöb    2) ütköző/4 oldalú    3) ráfutó küszöb     4) dupla süllyedőküszöb

Biztonsági acélajtók bemutatása

A biztonság mindennél többet ér!

Aki maga mögött becsukja az ajtót, szeretné biztonságban érezni magát. Védve a kéretlen látogatók, a zaj, a leselkedő veszélyek vagy akár a füst és tűz elől. A Novoferm biztonsági ajtóit azért alkottuk meg, hogy megadhassuk ezt a biztonságérzetet. A Novoferm biztonsági ajtó egyesíti az egyéni védelmi igényeket az egyedileg megválasztható külsővel, miközben használójának jóleső nyugalmat biztosít.

Felhasználási lehetőségek:

  • pinceajtók
  • mellékbejáratok, pl. háztartási helyiségből vagy garázsból
  • üzem - iroda átjáró ajtói
  • egészségügyi intézmények tárolóhelyiségei
  • szerver- és informatikai helyiségek
  • lakásbejárati ajtó
  • üzlethelyiségek hátsó kijárati ajtói
  • raktárhelyiségek kis- és nagykereskedésekben vagy üzemekben

     

Jellemzők:

  • Az acél biztonsági csapok a tokba rögzítve megakadályozzák az ajtó erőszakos kiemelését.
  • Alumínium biztonsági kilincsgarnitúra DIN 18257 szerint,
  • Biztonságos zárrendszer, többpontos zárral is,
  • Felfúrás ellen védett biztonsági cilinderbetét DIN 18252 / EN 1303 szerint, 3 db kulccsal,
  • A kulcsok a jogosulatlan másolás ellen biztonsági kártyával rendelkeznek.
  • Vastag falcos ajtókialakítás,
  • Számos felszerelési lehetőség,
  • Az ajtók tetszőleges RAL-színben is rendelhetők.

Biztonsági gipszkarton fal RC3-as kategóriáig

Nemcsak az ajtónak kell biztonságosnak lennie, hanem a körülötte lévő falszerkezetnek is. A Novoferm RC2 és RC3 kategóriájú acélajtók betörésbiztos szerelt falba is beépíthetők, mely egyedülállóan rugalmas, ugyanakkor biztonságos megoldást kínál.

Gipszkartonfal - biztonságos megoldás


Mi haszna egy biztonsági ajtónak, ha a gyenge falon keresztül könnyedén be lehet jutni a védett helyiségbe?
A Novoferm olyan biztonsági ajtókat kínál, melyek stabilan beszerelhetők gipszkarton válaszfalakba is, itt is teljesítve az adott betörésvédelmi kategória előírásait.
Az alábbi RC2 és RC3 beltéri felhasználású biztonsági ajtótípusok építhetők be F90A betörésbiztos szerelt falba csavaros rögzítéssel, ill. RC3 esetén kiegészítő hegesztett fülekkel:

  • NovoPorta Premio E-S-1 RC2 és RC3
  • NovoPorta Premio E-S-2 RC2 és RC3
  • NovoPorta Premio EI2 30-1 RC2 és RC3
  • NovoPorta Premio EI2 30-2 RC2 és RC3
  • NovoPorta Premio EI2 60-1 RC2 és RC3
  • NovoPorta Premio EI2 60-2 RC2 és RC3
  • NovoPorta Premio EI2 90-1 RC2 és RC3
  • NovoPorta Premio EI2 90-2 RC2 és RC3
  • NovoSecur E-S 6 RC2 (2-részes 2140 típusú tokkal)

ÜTÉSÁLLÓ ÜVEGEZÉS

Az üvegezett biztonsági ajtókhoz standard kivitelben DIN EN 356 szabvány szerint ütésálló üveget használnak. Az RC 2-es osztály esetében az előírt minimális P4A üvegtípuson túl, a NovoPorta Premio RC 3-as osztályhoz mostantól P5A biztonsági üvegezés is rendelhető. Az üvegek  EI2 30, EI2 60 és EI2 90 tűzgátló változatban is elérhetők. Opcionálisan az RC 2-es betörésvédelmi osztályhoz betörés-, és szúrásbiztos speciális üvegek is rendelkezésre állnak P8B besorolással, igény esetén kiegészítő pánikfunkcióval - még nagyobb biztonságérzetet biztosítva.

Ezen felül az üvegszorító keretek a külső, támadási oldalon kicsavarás vagy felfeszítés ellen védve vannak.

 

 

A Premio színt visz a mindennapokba

Exkluzív megjelenés + kifinomult Novoferm technológia: az összkép pedig lenyűgöző! Az ajtók úgy integrálhatók a környezetükbe, hogy közben számos kialakítási lehetőséget és választékot kínálnak.

Már az alapkivitelű RAL 9016-os fehér színű felület is olyan kiváló minőségben készül, hogy sok építtető számára optikailag olyan megnyerő, hogy ezt hagyják meg a végső felületnek.

Természetesen igény szerint az ajtók egyedi RAL-színben is rendelhetők. Az összhatást az ajtólap, tok és pántok színeinek egysége, vagy akár különbözősége határozza meg, melyek együttesen teszik egyedivé ajtóinkat.

NovoSecur E-S 6 - RC 2

NOVOSECUR® E-S 6

 

A KARCSÚ ÉS ELEGÁNS

Egyszárnyú, kül- és beltérre egyaránt beépíthető ajtóelem, 6-szoros biztonsági reteszelési ponttal. Ajtólap vastagság 40 mm, 3-oldali normál falccal és hőszigetelő kőzetgyapot testtel. Lemezvastagság: 1,0 mm. Ajtólap standard kivitelben: horganyzott, alapozott RAL 9016 fehér színben.

Opcionális felület: Super-Color (BPA): tok és ajtólap tetszőleges RAL-színre festve

Opcionális felület: Super-Dekor (BDA): beltéri beépítésben az ajtólap az alábbi dekorfóliákkal is rendelhető: juhar, körte, cseresznye, dió, natúr bükk, világos tölgy vagy fehér kőris

Acéltok: horganyzott, alapozott RAL 7035 szürke színben, opcionálisan: tetszés szerinti RAL színben

Kivitel:
RC2-es biztonsági ajtóelem MSZ EN 1627 szabvány szerint, normál vagy egyedi üvegezéssel
Hanggátlás: 29 dB-től 42 dB-ig DIN EN ISO 140-3 szerint vizsgálva és DIN EN ISO 717-1 szerint osztályozva

Zár:
Standard kivitel: 3-pontos biztonsági PZ-zár
Opcionális: 3-pontos biztonsági PZ-zár további 2 biztonsági csappal

Vasalat:
2 db állítható pánttáska és 2 db 3D-s pánt pántbiztosítóval, biztonsági alumínium rövid címes gomb-kilincs garnitúra DIN 18257 szerint, biztonsági cilinderbetét 3 db kulccsal és biztonsági kártyával DIN 18252 szerint. Cilinderbetét mérete: 61 mm (35+26)

Tok:
Standard kivitelben saroktok gumitömítéssel, opcionálisan ellentok, válaszfaltok, blokktok vagy utólag szerelhető tok

Küszöb:
Standard kivitel: ráfutóküszöb, választható: RS1 süllyedőküszöb vagy BE2 ütközőküszöb.
 

NovoPorta Premio E-S - RC 2

NOVOPORTA PREMIO E-S-1 / E-S-2


A KLASSZIKUS

Egy- és kétszárnyú, kül- és beltérre egyaránt beépíthető biztonsági acél ajtóelem, 64 mm vastag, 3-oldalon falcolt ajtólappal, 1 mm-es, (opcionálisan 1,5 mm-es) lemezvastagsággal, a pánt felőli oldalon (kétszárnyú ajtó esetén mindkét szárnyon) megerősítéssel felső ajtócsukó felszereléséhez.

Ajtólap és tok standard kivitelben: horganyzott, alapozott RAL 9016 fehér színben

Kivitel:
RC2-es biztonsági acél ajtóelem MSZ EN 1627 szabvány szerint, hőszigetelő kőzetgyapot tömítéssel
Opcionálisan: 
hanggátlás: süllyedőküszöbbel 40 dB (egyszárnyú ajtó), ill. 39 dB (kétszárnyú ajtó) DIN EN ISO 140-3 szerint vizsgálva és DIN EN ISO 717-1 szerint osztályozva
füstgátlás: süllyedő küszöbbel (RS1) vagy íves küszöbbel és ráfutóküszöbbel (RS2), felső ajtócsukóval, kétszárnyú ajtók esetén csukássorrendszabályzóval és az állószárnyba beépített alsó-felső letűző rúdzárral

Vasalat
1 db 3-részes konstrukciós pánt és 1 db rugós pánt (1250x2250 mm méretig) szárnyanként, RAL 9016 fehér színre porszórva; opcionálisan rozsdamentes vagy 3D-s állítható pántok; 2 db kiemelésgátló biztonsági csap szárnyanként; biztonsági PZ-zár, alumínium rövid címes gomb-kilincs garnitúra DIN 18257 szerint, biztonsági cilinderbetét 3 db kulccsal és biztonsági kártyával DIN 18252 szerint. Cilinderbetét mérete: 85 mm (50+35); állószárnyon alsó-felső letűzőzár

Tok
Standard kivitelben: saroktok gumitömítéssel, lemezvastagság: 2,0 mm, tükörszélesség: 50 mm, opcionálisan válaszfaltok, utólag szerelhető tok, profilszám: 2140B, ellentok vagy blokktok

Küszöb
Standard kivitelben: egyenes, A típus, választható: B1, B2, B3, BE-2 4-oldalon körbefutó kerettel; C2 alsó ütközővel; RS1 süllyedőküszöbbel; RS1 dupla süllyedőküszöbbel; RS2 íves küszöbbel és ráfutóküszöbbel

NovoPorta Premio E-S RC 3

NOVOPORTA PREMIO E-S-1 / E-S-2

 

A MASSZÍV

Egy- és kétszárnyú, kül- és beltérre egyaránt beépíthető biztonsági acél ajtóelem, 64 mm vastag, 3-oldalon falcolt ajtólappal, 1,5 mm-es lemezvastagsággal, a pánt felőli oldalon (kétszárnyú ajtó esetén mindkét szárnyon) megerősítéssel felső ajtócsukó felszereléséhez.

Ajtólap és tok standard kivitelben: horganyzott, alapozott RAL 9016 fehér színben

Kivitel
RC3-as biztonsági acél ajtóelem MSZ EN 1627 szabvány szerint, hőszigetelő kőzetgyapot tömítéssel
Opcionálisan: hanggátlás: RS1 süllyedőküszöbbel 39 dB DIN EN ISO 140-3 szerint vizsgálva és DIN EN ISO 717-1 szerint osztályozva. 500 x 715 mm-től 1.000 x 1.750 mm rendelési méretig egyszárnyú strangajtó változatban is rendelhető.
 
Vasalat
Szárnyanként 2 db 3-részes konstrukciós pánt pántbiztosítóval, RAL 9016 fehér színre porszórva; opcionálisan rozsdamentes vagy 3D-s állítható pántok; 2 db kiemelésgátló biztonsági csap szárnyanként 2125 mm-es magasságig, a fölött 3 db; biztonsági PZ-zár erősített zárnyelvvel, hosszú címes alumínium gomb-kilincs garnitúra DIN 18257 szerint, biztonsági cilinderbetét 3 db kulccsal és biztonsági kártyával DIN 18252 szerint. Cilinderbetét mérete: 85 mm (50+35); állószárnyon falcban futó, alsó-felső reteszelésű rúdzár

Tok
Standard kivitelben: saroktok gumitömítéssel, lemezvastagság: 2,0 mm, tükörszélesség: 50 mm, opcionálisan válaszfaltok, utólag szerelhető tok, profilszám: 2140B, ellentok vagy blokktok

Küszöb
Standard kivitelben: egyenes, A típus, választható: B1, B2, B3, BE-2 4-oldalon körbefutó kerettel; C2 alsó ütközővel; RS1 süllyedőküszöbbel; RS1 dupla süllyedőküszöbbel

NovoPorta Premio E-S / EI-30 / EI-60 - RC 4

NOVOPORTA PREMIO E-S-1 / EI2 30-1 / EI2 60-1


A NAGYÁGYÚ
Egyszárnyú, kül- és beltérre egyaránt beépíthető biztonsági acél ajtóelem, Ei30 és Ei60 tűzgátló tulajdonsággal is, 64 mm vastag, 3-oldalon falcolt ajtólappal, 1,5 mm-es lemezvastagsággal, 5 db biztonsági csappal, tűzgátló kivitelnél 3-oldalon körbefutó tűzgátló tömítéssel, a pánt felőli oldalon megerősítéssel felső ajtócsukó felszereléséhez, tűzgátló kivitelnél felső ajtócsukóval.

Ajtólap és tok standard kivitelben: horganyzott, alapozott RAL 9016 fehér színben

Kivitel
RC4-es biztonsági acél ajtóelem MSZ EN 1627 szabvány szerint, hőszigetelő kőzetgyapot tömítéssel
Opcionálisan: Ei30 vagy Ei60 tűzgátlás, füstgátlás, hanggátlás: RS1 süllyedőküszöbbel 38 dB, 2RS1 dupla süllyedőküszöbbel 39 dB DIN EN ISO 140-3 szerint vizsgálva és DIN EN ISO 717-1 szerint osztályozva, tűzgátló kivitelnél 3-oldalon körbefutó tűzgátló tömítéssel és felső ajtócsukóval

Vasalat
2 db 3-részes konstrukciós pánt pántbiztosítóval, opcionálisan rozsdamentes vagy 3D-s állítható pántok; 5 db kiemelésgátló biztonsági csap 2300 mm-es magasságig, a fölött 6 db; többpontos biztonsági PZ-zár további 2 reteszelő csappal, hosszú címes alumínium gomb-kilincs garnitúra DIN 18257 szerint, biztonsági cilinderbetét 3 db kulccsal és biztonsági kártyával DIN 18252 szerint. Cilinderbetét mérete: 85 mm (50+35)
Tűzgátló kivitelek (EI2 30 és EI2 60) Geze TS 4000 F vagy dormakaba TS 89 F felső ajtócsukókkal szériafelszereltségként.

Tok
Standard kivitelben: saroktok CR-gumitömítéssel, lemezvastagság: 2,0 mm, padlóbeállás nélkül, opcionálisan válaszfaltok, utólag szerelhető tok, profilszám: 2140B, ellentok vagy blokktok 

Küszöb
Standard kivitelben: egyenes, A típus, választható: B3, BE-2 4-oldalon körbefutó, RS1 süllyedőküszöb; 2RS1 dupla süllyedőküszöb.

NovoPorta Premio EI-30 / EI-60 / EI-90 - RC 2

NOVOPORTA PREMIO EI2 30-1 ÉS EI2 30-2 / EI2 60-1 ÉS EI2 60-2 / EI2 90-1 ÉS EI2 90-2


A SOKOLDALÚ
Egy- és kétszárnyú, kül- és beltérre egyaránt beépíthető biztonsági acél ajtóelem, 64 mm vastag, 3-oldalon falcolt ajtólappal, 1,0 mm-es, (opcionálisan 1,5 mm-es) lemezvastagsággal, 3-oldalon körbefutó tűzgátló tömítéssel, a pánt felőli oldalon (kétszárnyú ajtó esetén mindkét szárnyon) megerősítéssel felső ajtócsukó felszereléséhez.

Ajtólap és tok standard kivitelben: horganyzott, alapozott RAL 9016 fehér színben

Kivitel
RC2-es biztonsági-tűzgátló acél ajtóelem MSZ EN 1627 szabvány szerint, hőszigetelő kőzetgyapot tömítéssel, felső ajtócsukóval
Opcionálisan:
Hanggátlás: 35-43 dB (egyszárnyú ajtó), ill. 35-42 dB (kétszárnyú ajtó) DIN EN ISO 140-3 szerint vizsgálva és DIN EN ISO 717-1 szerint osztályozva
Füstgátlás: RS1 süllyedőküszöbbel vagy RS2 íves küsöbbel és ráfutóküszöbbel 
Strangajtó kialakítás: Ei30 és Ei90 típusnál 500 x 715 mm-től 1000 x 1750 mm-ig

Vasalat
2 db 3-részes konstrukciós pánt pántbiztosítóval szárnyanként, Ei30-1 típusnál 1 db 3-részes konstrukciós pánt és 1 db rugós pánt RAL 9016 fehér színre porszórva; opcionálisan rozsdamentes vagy 3D-s állítható pántok; 2 db kiemelésgátló biztonsági csap szárnyanként, Ei90 típusnál 2125 mm magasság fölött: 3 db; biztonsági PZ-zár, alumínium rövid címes gomb-kilincs garnitúra DIN 18257 szerint, biztonsági cilinderbetét 3 db kulccsal és biztonsági kártyával DIN 18252 szerint. Cilinderbetét mérete: 85 mm (50+35); állószárnyon alsó-felső letűző rúdzár. Ajtócsukó: TS89 vagy Geze TS 4000, kétszárnyú kivitelnél csukássorrendszabályzóval.

Tok
Standard kivitelben: saroktok gumitömítéssel, lemezvastagság: 2,0 mm, tükörszélesség: 50 mm, opcionálisan válaszfaltok, utólag szerelhető tok, profilszám: 2140B, ellentok vagy blokktok

Küszöb
Standard kivitelben: egyenes, A típus, választható: B1, B2, B3, BE-2 4-oldalon körbefutó kerettel; C2 alsó ütközővel; RS1 süllyedőküszöbbel; RS1 dupla süllyedőküszöbbel; RS2 íves küszöbbel és ráfutóküszöbbel (RS2 típus csak Ei30-nál)

NovoPorta Premio EI-30 / EI-60 / EI-90 - RC 3

NOVOPORTA PREMIO EI2 30-1 ÉS EI2 30-2 / EI2 60-1 ÉS EI2 60-2 / EI2 90-1 ÉS EI2 90-2


A ROBUSZTUS
Egy- és kétszárnyú, kül- és beltérre egyaránt beépíthető biztonsági acél ajtóelem, 64 mm vastag, 3-oldalon falcolt ajtólappal, 1,5 mm-es lemezvastagsággal, 3-oldalon körbefutó tűzgátló tömítéssel, a pánt felőli oldalon (kétszárnyú ajtó esetén mindkét szárnyon) megerősítéssel felső ajtócsukó felszereléséhez, Geze TS4000 vagy Dorma TS89 ajtócsukóval, kétszárnyú ajtónál csukássorrendszabályzóval.

Ajtólap és tok standard kivitelben: horganyzott, alapozott RAL 9016 fehér színben
Opcionális felület: ajtólap, tok és pántok designfólia bevonattal

Kivitel
RC3-as biztonsági-tűzgátló acél ajtóelem MSZ EN 1627 szabvány szerint, hőszigetelő kőzetgyapot tömítéssel, felső ajtócsukóval, 3-oldalon körbefutó tűzgátló tömítéssel
Opcionálisan:
Hanggátlás:39-43 dB (egyszárnyú ajtó), ill. 39-41 dB (kétszárnyú ajtó) DIN EN ISO 140-3 szerint vizsgálva és DIN EN ISO 717-1 szerint osztályozva
Füstgátlás: RS1 süllyedőküszöbbel vagy 2RS1 dupla süllyedőküszöbbel
Strangajtó kialakítás: Ei30 és Ei90 típusnál 500 x 715 mm-től 1000 x 1750 mm-ig

Vasalat
Szárnyanként 2 db 3-részes konstrukciós pánt pántbiztosítóval, RAL 9016 fehér színre porszórva; opcionálisan rozsdamentes vagy 3D-s állítható pántok; 2125 mm-es magasságig 2 db, a fölött 3 db kiemelésgátló biztonsági csap szárnyanként, biztonsági PZ-zár erősített zárnyelvvel, hosszú címes alumínium gomb-kilincs garnitúra DIN 18257 szerint, biztonsági cilinderbetét 3 db kulccsal és biztonsági kártyával DIN 18252 szerint. Cilinderbetét mérete: 85 mm (50+35); állószárnyon alsó-felső letűző rúdzár. Ajtócsukó: Dorma TS89 vagy Geze TS 4000, kétszárnyú kivitelnél csukássorrendszabályzóval.

Tok
Standard kivitelben: saroktok gumitömítéssel, lemezvastagság: 2,0 mm, tükörszélesség: 50 mm, opcionálisan válaszfaltok, utólag szerelhető tok, profilszám: 2140B, ellentok vagy blokktok

Küszöb
Standard kivitelben: egyenes, A típus, választható: B1, B2, B3, BE-2 4-oldalon körbefutó kerettel; C2 alsó ütközővel; RS1 süllyedőküszöbbel; 2RS1 dupla süllyedőküszöbbel

Tartozékok

A biztonság nem tréfa! Épp ezért a Novoferm biztonsági acélajtók minden alkotóeleme a legapróbb részletekig átgondolt, és maximálisan megfelel a kívánt követelményeknek és a vonatkozó szabványi előírásoknak.

Ezt bizonyítják azok a kiegészítők, melyek egy standard acélajtót RC-minősítésű Novoferm biztonsági ajtóvá tesznek. Ilyenek például a felfúrás ellen védett cilinderbetét 3 db kulccsal és az illetéktelen másolást megakadályozó biztonsági kártyával, a további védelmi funkciók, mint tűzgátlás, füstgátlás, zajvédelem. Akár nyilvános terület, akár a privát szféra védelméről van szó: a Novoferm biztonsági acélajtók tökéletes választást jelentenek!

 

Biztonsági kilincsgarnitúrák

A Novoferm biztonsági acélajtók standard kivitelben cilindervédős alumínium gomb-kilincs garnitúrával rendelkeznek, RC2-es kategóriában rövid címes, RC3-as kategóriában hosszú címes kivitelben. Igény szerint kilincs-kilincs garnitúra és rozsdamentes felület is rendelhető.


PÁNIKZÁR 
A pánikzár használata minden olyan középületben kötelező, ahol egy esetleges pánikhelyzetben garantálni kell a kis erőfeszítéssel történő biztonságos menekülést. Ilyen épületek lehetnek pl. repülőterek, mozik, bevásárlóközpontok, kórházak, iskolák vagy közigazgatási szervek, melyekre megnövekedett biztonsági előírások vonatkoznak. Minden Novoferm biztonsági acélajtó felszerelhető pánikzárral is, és teljesíti a pánikhelyzetre vonatkozó követelményeket.


AJTÓCSUKÓ 
Ha a biztonsági funkció mellett tűzgátló tulajdonsággal is rendelkezik az ajtó, kötelezően felső ajtócsukót is kell rá szerelni, 2-szárnyú kivitelnél csukássorrendszabályzóval. A Novoferm biztonsági acélajtókhoz különböző típusú és gyártmányú ajtócsukók közül választhat.


KITEKINTŐ OPTIKA
A biztonságérzetet az is növeli, ha tudjuk, ki áll az ajtónk előtt. Ezt szolgálja a kitekintő optika vagy a zárható biztonsági lánc (mindkettő opcionális kiegészítő).

Előnyök pontokba szedve:

  • Bevizsgált biztonsági acél ajtóelemek RC 2, RC 3 és RC 4 betörésvédelmi osztályban
  • Ajtótípustól függően EI30, EI60, EI90 perces tűzgátlással, füst- és hanggátlással is
  • Stabil acél pántok pántbiztosítóval (Több ajtótípust standard kivitelben 3D-s pántokkal szállítunk.)
  • Az acél biztonsági csapok a tokba csatlakoznak, megakadályozva az ajtólap kifeszítését
  • Alumínium biztonsági kilincsgarnitúra DIN 18257 szerint
  • Biztonsági zárszerkezetek többpontos-zár változatban is

     

  • A kulcsok biztonsági kártyával rendelkeznek, mely a jogosulatlan másolás ellen véd
  • Minden ajtólap vastag falcos kialakítású
  • Biztonsági, felfúrás ellen védett cilinderbetét gyárilag 3 db kulccsal

     

  • Számos kiviteli lehetőség
  • Ajtótípustól függően új Design-felülettel vagy különböző porszórt színekben, ill. dekorfóliás bevonattal is rendelhető.

Műszaki adatok

Rendelési és beépítési méretek E-S-6 / RC 2

Rendelési 
méret (BRM)

Falnyílás-
méret

Szabad 
átjáróméret

Tok 
külméret

MZ
többcélú

EI2 30

EI2 60

EI2 90

RC2

RC3

RC4

Méret: szélesség x magasság mm
E-S 6  RC2

750 x 2.000

760 x 2.005

700 x 1.975

790 x 2.040

*

 

 

 

*

 

 

750 x 2.125

760 x 2.130

700 x 2.100

790 x 2.165

*

 

 

 

*

 

 

875 x 1.875

885 x 1.880

825 x 1.850

915 x 1.915

*

 

 

 

*

 

 

875 x 2.000

885 x 2.005

825 x 1.975

915 x 2.040

*

 

 

 

*

 

 

875 x 2.125

885 x 2.130

825 x 2.100

915 x 2.165

*

 

 

 

*

 

 

1.000 x 1.875

1.010 x 1.880

950 x 1.850

1.040 x 1.915

*

 

 

 

*

 

 

1.000 x 2.000

1.010 x 2.005

950 x 1.975

1.040 x 2.040

*

 

 

 

*

 

 

1.000 x 2.125

1.010 x 2.130

950 x 2.100

1.040 x 2.165

*

 

 

 

*

 

 

1.125 x 2.000

1.135 x 2.005

1.075 x 1.975

1.165 x 2.040

*

 

 

 

*

 

 

1.125 x 2.125

1.135 x 2.130

1.075 x 2.100

1.165 x 2.165

*

 

 

 

*

 

 

1.250 x 2.000

1.260 x 2.005

1.200 x 1.975

1.290 x 2.040

*

 

 

 

*

 

 

1.250 x 2.125

1.260 x 2.130

1.200 x 2.100

1.290 x 2.165

*

 

 

 

*

 

 

1.250 x 2.250

1.260 x 2.255

1.200 x 2.225

1.290 x 2.290

*

 

 

 

*

 

 

1.250 x 2.500

1.260 x 2.505

1.200 x 2.475

1.290 x 2.540

*

 

 

 

*

 

 

Engedélyezett mérettartomány: BRM 625 x 1.750 mm-től 1.250 x 2.500 mm-ig.
Rendelési és beépítési méretek Premio E-S-1 / EI2 30-1 / EI2 60-1 / EI2 90-1 (egyszárnyú) / RC2/3

Rendelési 
méret (BRM)

Falnyílás-
méret

Szabad
átjáróméret

Tok
külméret

MZ
többcélú

Ei2 30

EI2 60

EI2 90

RC2

RC3

RC4

Méret: szélesség x magasság mm
Premio E-S-1 / EI2 30-1 / EI2 60-1 / EI2 90-1 (1-szárnyú)  RC2/RC3

E-S-1

Premio

Premio

Premio

   

750 x 2.000

760 x 2.005

666 x 1.957

828 x 2.058

*

*

*

*

*

*

 

750 x 2.125

760 x 2.130

666 x 2.082

828 x 2.183

*

*

*

*

*

*

 

875 x 1.875

885 x 1.880

791 x 1.832

953 x 1.933

*

*

*

*

*

*

 

875 x 2.000

885 x 2.005

791 x 1.957

953 x 2.058

*

*

*

*

*

*

 

875 x 2.125

885 x 2.130

791 x 2.082

953 x 2.183

*

*

*

*

*

*

 

1.000 x 2.000

1.010 x 2.005

916 x 1.957

1.078 x 2.058

*

*

*

*

*

*

 

1.000 x 2.125

1.010 x 2.130

916 x 2.082

1.078 x 2.183

*

*

*

*

*

*

 

1.125 x 2.000

1.135 x 2.005

1.041 x 1.957

1.203 x 2.058

*

*

*

*

*

*

 

1.125 x 2.125

1.135 x 2.130

1.041 x 2.082

1.203 x 2.183

*

*

*

*

*

*

 

1.250 x 2.000

1.260 x 2.005

1.166 x 1.957

1.328 x 2.058

*

*

*

*

*

*

 

1.250 x 2.125

1.260 x 2.130

1.166 x 2.082

1.328 x 2.183

*

*

*

*

*

*

 

1.250 x 2.250

1.260 x 2.255

1.166 x 2.207

1.328 x 2.308

*

*

*

*

*

*

 

1.250 x 2.500

1.260 x 2.505

1.166 x 2.457

1.328 x 2.558

*

*

*

*

*

*

 

Engedélyezett mérettartomány NovoPorta Premio E-S-1 / EI2 30-1 / EI2 60-1 / EI2 90-1: BRM 500 x 715 mm-től 1.375 x 2.500 mm-ig.
Rendelési és beépítési méretek Premio E-S-2 / EI2 30-2 / EI2 60-2 / EI2 90-2 (kétszárnyú) / RC 2/ 3

Rendelési
méret (BRM)

Falnyílás-
méret

Szabad átjáróméret

Tok-
külméret

MZ
többcélú

EI2 30

EI2 60

EI2 90

RC2

RC3

RC4

Méret: szélesség x magasság mm
Premio E-S-2 / EI2 30-2 / EI2 60-2 / EI2 90-2 (2-szárnyú)  RC2/RC3

E-S-1

Premio

Premio

Premio

   

1.500 x 2.0001)

1.510 x 2.005

1.416 x 
1.957

1.578 x 2.058

*

*

*

*

*

*

 

1.500 x 2.1251)

1.510 x 2.130

1.416 x 
2.082

1.578 x 2.183

*

*

*

*

*

*

 

1.750 x 2.0002)

1.760 x 2.005

1.666 x 
1.957

1.828 x 2.058

*

*

*

*

*

*

 

1.750 x 2.1252)

1.760 x 2.130

1.666 x 
2.082

1.828 x 2.183

*

*

*

*

*

*

 

2.000 x
2.000

2.010 x 2.005

1.916 x 
1.957

2.078 x 2.058

*

*

*

*

*

*

 

2.000 x
2.125

2.010 x 2.130

1.916 x 
2.082

2.078 x 2.183

*

*

*

*

*

*

 

2.000 x
2.500

2.010 x 2.505

1.916 x 
2.457

2.078 x 2.558

*

*

*

*

*

*

 

2.125 x
2.125

2.135 x 2.130

2.041 x 
2.082

2.203 x 2.183

*

*

*

*

*

*

 

2.250 x
2.250

2.260 x 2.255

2.166 x 
2.207

2.328 x 2.308

*

*

*

*

*

*

 

2.500 x
2.500

2.510 x 2.505

2.416 x 
2.457

2.578 x 2.558

*

*

*

*

*

*

 

Engedélyezett mérettartomány NovoPorta Premio E-S-2 / EI2 30-2 / EI2 60-2 / EI2 90-2: BRM 1.375 x 1.750 mm-től 2.500 x 2.500 mm-ig 
1) Járószárny BRM kb. 930 mm széles  2) Járószárny BRM kb. 975 mm széles
Rendelési és beépítési méretek Premio E-S-1 / EI2 30-1 / EI2 60-1 / EI2 90-1 (egyszárnyú) / RC 4

Rendelési
méret (BRM)

Falnyílás-
méret

Szabad
átjáróméret

Tok
külméret

MZ
többcélú

EI2 30

EI2 60

EI2 90

RC2

RC3

RC4

Méret: szélesség x magasság mm
Premio E-S-1 / EI2 30-1 / EI2 60-1 / EI2 90-1 RC4 (1-szárnyú)

E-S-1

Premio

Premio

Premio

   

750 x 2.000

760 x 2.005

666 x 1.957

828 x 2.058

*

*

*

*

 

 

*

750 x 2.125

760 x 2.130

666 x 2.082

828 x 2.183

*

*

*

*

 

 

*

875 x 2.000

885 x 2.005

791 x 1.957

953 x 2.058

*

*

*

*

 

 

*

875 x 2.125

885 x 2.130

791 x 2.082

953 x 2.183

*

*

*

*

 

 

*

1.000 x 2.000

1.010 x 2.005

916 x 1.957

1.078 x 2.058

*

*

*

*

 

 

*

1.000 x 2.125

1.010 x 2.130

916 x 2.082

1.078 x 2.183

*

*

*

*

 

 

*

1.125 x 2.000

1.135 x 2.005

1.041 x 1.957

1.203 x 2.058

*

*

*

*

 

 

*

1.125 x 2.125

1.135 x 2.130

1.041 x 2.082

1.203 x 2.183

*

*

*

*

 

 

*

1.250 x 2.000

1.260 x 2.005

1.166 x 1.957

1.328 x 2.058

*

*

*

*

 

 

*

1.250 x 2.125

1.260 x 2.130

1.166 x 2.082

1.328 x 2.183

*

*

*

*

 

 

*

1.250 x 2.250

1.260 x 2.255

1.166 x 2.207

1.328 x 2.308

*

*

*

*

 

 

*

1.250 x 2.500

1.260 x 2.505

1.166 x 2.457

1.328 x 2.558

*

*

*

*

 

 

*

Engedélyezett mérettartomány NovoPorta Premio E-S-1 / EI2 30-1 / EI2 60-1 / EI2 90-1: BRM 625 x 2.000 mm-től 1.375 x 2.500 mm-ig.
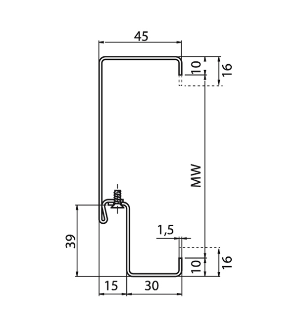
Műszaki adatok NovoSecur E-S-6 / RC 2
Ajtótípus

NOVOSECUR E-S 6

Betörésvédelmi osztály

RC 2

 

Engedélyezett méretek
Rendelési méret (BRM) szélesség min. - max.

625 - 1.250

Rendelési méret (BRM) magasság min. - max.

1.750 - 2.500

 
Biztonsági felszereltség
Ellenállósági osztály

RC2

Biztonsági csapok száma

2

PZ biztonsági zár

*

Többpontos biztonsági zár

* (alapfelszereltség)

Többpontos biztonsági zár további 2 reteszelési ponttal

* (opcionális)

Felfúrás ellen védett biztonsági cilinderbetét

*

 
Ajtólap
Ajtólap vastagsága kb.

40

Lemezvastagság

1,0 (dekorfóliás: 0,88)

3-oldalon falcolt

*

Nyitásirány DIN szerint

balos vagy jobbos

Hőátbocsátási tényező DIN EN ISO 10 077-1 szerint

Ud = 1,7 W/m2K

 
Falazat
Kőműves fal 

≥ 115

Beton

≥ 100

Pórusbeton

≥ 150

Vasbeton pórusbeton falpanelek

≥ 150

Gipszkarton F90/EI90 biztonsági szerelt fal

≥ 100

Acélszerkezet
(az acélprofilok minimális vastagsága 3 mm)

*

 
További választható kivitelek
Felülvilágító üveg (csak beltéri használatra)

*

Felülvilágító tömör blende (csak beltéri használatra)

*

Hanggátlás

Standard elem 29 - 34 dB* 
speciális hanggátló betéttel (csak beltéri használatra) akár 42 dB-ig*

 
RC2 vizsgálati jegyzőkönyv száma

45-11/12

 
Minden méret mm-ben
BR = rendelési méret, RAM = tok külméret, LD = szabad átjáróméret
* A megadott hanggátlási értékek laborértékek tele lapos konstrukció esetén. Hanggátlási érték a beépített ajtóelem esetén: laborérték - 5 dB.

* rendelhető – nem rendelhető

Műszaki adatok NOVOPORTA PREMIO E-S-1 / E-S-2 / RC 2

Betörésvédelmi osztály

Ajtótípus

RC2

NOVOPORTA 
PREMIO
E-S-1

RC2

NOVOPORTA PREMIO
E-S-2

Jóváhagyott méretek
Rendelési méret (BRM)Szélesség min. - max.

500 - 1.375

1.375 - 2.500

 Magasság min. - max.

1.750 - 2.500

1.750 - 2.500

Biztonsági felszereltség
Ellenállósági osztály

RC2

RC2

A biztonsági csapok száma szárnyanként

2

2

PZ biztonsági zár

*

*

Állószárnyban letűzőzár (reteszelés felfelé és lefelé)

-

*

Felfúrás ellen védett biztonsági cilinderbetét

*

*

Ajtólap
Ajtólap vastagsága kb.

64

64

Lemezvastagság (opcionálisan)

1 (1,5)

1 (1,5)

3-oldali vastag falc

*

*

Nyitásirány DIN szerint 

balos vagy jobbos

balos vagy jobbos

Hőátbocsátási tényező DIN EN ISO 10 077-1 szerint

Ud = 1,5 W/m²K

Ud = 1,5 W/m²K

Falazat
Kőműves fal

≥ 115

Beton fal

≥ 100

Pórusbetonfal

≥ 175

Vasbeton pórusbeton falpanelek

≥ 150

Gipszkarton F60A/F90A biztonsági szerelt fal

≥ 100

Gipszkarton F60B/F90B biztonsági szerelt fal

≥ 130

Acélszerkezet (az acélprofilok minimális vastagsága 3 mm)

*

További választható kivitelek
Füstgátlás

*

*

Hanggátlás

23-44 dB*

23-44 dB*

Betörésbiztos üvegezés
Szabványos szögletes üvegezés (P4A vagy P8B EN 356 szerint), méret: 200 x 600 mm, 500 x 400 mm, 460 x 910 mm
Szabványos rombusz alakú üvegezés (P4A vagy P8B EN 356 szerint), méret: 300 mm, 400 mm, 500 mm
Köralakú üvegezés (P4A vagy P8B EN 356 szerint), méret: 350 mm, 450 mm
Egyedi üvegezés (P4A vagy P8B EN 356 szerint), min. frízszélesség 3-oldalon: 150 mm,
zároldalon és az állószárny középső ütköző oldalán: ≥ 180 mm
Üvegezőkeretek látszó csavarozással, opcionálisan takaróprofilokkal,
(látszó csavarozás nélkül) rozsdamentes acélból
RC2 vizsgálati jegyzőkönyv száma261 8191-GS S01261 8191-GS S01
Minden méret mm-ben
BR = rendelési méret, RAM = tok külméret, LD = szabad átjáróméret
* A megadott hanggátlási értékek laborértékek tele lapos konstrukció esetén. Hanggátlási érték a beépített ajtóelem esetén: laborérték - 5 dB.

* rendelhető

- nem rendelhető

Műszaki adatok NOVOPORTA PREMIO E-S-1 / E-S-2 / RC 3

Betörésvédelmi osztály

Ajtótípus

RC3

NOVOPORTA 
PREMIO
E-S-1

RC3

NOVOPORTA
PREMIO 
E-S-2

Engedélyezett méretek
Rendelési méret (BRM)

Szélesség min. - max.

Magasság min. - max.

625-1.375

1.750-2.500

1.375-2.500

1.750-2.500

Rendelési méret (BRM) strangajtóSzélesség min.-max.

500-1.000

-

Biztonsági felszereltség
Ellenállósági osztály

RC3

RC3

Biztonsági csapok száma szárnyanként

2 (3)

2 (3)

Biztonsági PZ-zár erősített zárnyelvvel

*

*

Állószárnyban letűző rúdzár (reteszelés felfelé és lefelé)

-

*

Felfúrás ellen védett biztonsági cilinderbetét

*

*

Ajtólap
Ajtólap vastagsága kb.

64

64

Lemezvastagság

1,5

1,5

3-oldali vastagfalc

*

*

Nyitásirány DIN szerint 

balos vagy jobbos

balos vagy jobbos

Hőátbocsátási tényező DIN EN ISO 10 077-1 szerint

Ud = 1,8 W/m²K

Ud = 1,9 W/m²K 

Falazat
Kőművesfal

≥ 115

Betonfal

≥ 120

Pórusbetonfal

≥ 240

Vasbeton pórusbeton falpanelek 

≥ 240

Gipszkarton F60A/F90A biztonsági szerelt fal

≥ 100

Acélszerkezet (az acélprofilok minimális vastagsága 3 mm)

*

További választható kivitelek
Füstgátlás

-

-

Hanggátlás

23-45 dB*

23-43 dB* 

Üvegezés

*

*

Felülvilágító blende

-

-

Felülvilágító üveg

-

-

Betörésbiztos üvegezés
Szabványos szögletes üvegezés (P4A vagy P8B EN 356 szerint), méret: 200 x 600 mm, 500 x 400 mm, 460 x 910 mm

 

 

Szabványos rombusz alakú üvegezés (P4A vagy P8B EN 356 szerint), méret: 300 mm, 400 mm, 500 mm
Köralakú üvegezés (P4A vagy P8B EN 356 szerint), méret: 350 mm, 450 mm

 

 

Egyedi üvegezés (P4A vagy P8B EN 356 szerint), min. frízszélesség 3-oldalon: 150 mm,
zároldalon és az állószárny középső ütköző oldalán: ≥ 180 mm
Üvegezőkeretek látszó csavarozással, opcionálisan takaróprofilokkal,
(látszó csavarozás nélkül) rozsdamentes acélból
RC3 vizsgálati jegyzőkönyv száma

45-53/18

45-53/18

Minden méret mm-ben
BR = beépítési méret, RAM = tok külméret, LD = szabad átjáróméret
* A megadott hanggátlási értékek laborértékek tele lapos konstrukció esetén. Hanggátlási érték a beépített ajtóelem esetén: laborérték - 5 dB.

* rendelhető        

- nem rendelhető

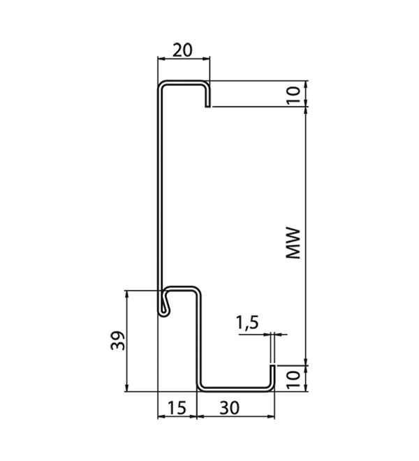
Műszaki adatok NOVOPORTA PREMIO E-S-1 / EI 30-1 / EI 60-1 / EI 90-1 / RC 4

Betörésvédelmi osztály

Ajtótípus

RC4

NOVOPORTA
PREMIO
E-S-1

RC4

NOVOPORTA
PREMIO
EI2 30-1 / EI2 60-1 /EI2 90

Engedélyezett méretek
Beépítési méret (BRM)

Szélesség min. - max.

Magasság min. - max.

625-1.375 

2.000-2.500

625-1.375 

2.000-2.500

Biztonsági felszereltség
Ellenállósági osztály

RC4

RC4

Biztonsági csapok száma szárnyanként

5 (6)

5 (6)

Többpontos biztonsági PZ-zár

*

*

Felfúrás ellen védett biztonsági cilinderbetét

*

*

Ajtólap
Ajtólap vastagsága kb.

64

64

Lemezvastagság

1,5

1,5

3-oldali vastagfalc

*

*

Nyitásirány DIN szerint 

balos vagy 
jobbos

balos vagy
jobbos

Hőátbocsátási tényező DIN EN ISO 10 077-1 szerint

Ud = 1,8 W/m²K

Ud = 1,8 W/m²K

Falazat
Kőműves fal

≥ 240

≥ 240

Betonfal

≥ 140

≥ 140

Pórusbetonblokk

-

-

Vasbeton pórusbeton falpanelek

-

-

Gipszkarton F60A/F90A biztonsági szerelt fal

-

-

Acélszerkezet (az acélprofilok minimális falvastagsága 3 mm).

-

-

További választható kivitelek
Tűzgátló EN 1634-1 szabvány szerint

-

*

Füstgátló EN 1634-3 szabvány szerint

-

*

Hanggátló

22-47 dB*

22-47 dB*

Üvegezés/tűzgátló üvegezés

-

-

Felülvilágító blende

-

-

Felülvilágító üveg

-

-

 
Kültéri vagy beltéri felhasználásra

*

*

Európai tanúsítás beltéri ajtókra: ETA-17/0443

-

EI2 30 / EI2 60 / EI2 90 /CE

CE tanúsítás kültéri ajtókra EN 16034 és EN 14351-1 szabványok szerint

-

EI2 30 / EI2 60 / EI2 90 /CE

Vizsgálati jegyzőkönyv száma

2019-04-0761-K1

2019-04-0761-K1

Minden méret mm-ben
BR = beépítési méret, RAM = tok külméret, LD = szabad átjáróméret
* A megadott hanggátlási értékek laborértékek tele lapos konstrukció esetén. Hanggátlási érték a beépített ajtóelem esetén: laborérték - 5 dB.

* rendelhető

- nem rendelhető

Műszaki adatok NovoPorta Premio EI 30-1/2 / 60-1/2 / 90-1/2 / RC 2

Betörésvédelmi osztály

Ajtótípus

RC2

NOVOPORTA PREMIO

RC2

NOVOPORTA PREMIO

 

EI2 30-1 / EI2 60-1

EI2 90-1

EI2 30-2 / EI2 60-2

EI2 90-2

Engedélyezett méretek
Rendelési méret (BRM) Szélesség 
min.-max.

625-1.375

1.375-2.500

Rendelési méret (BRM) Magasság 
min.-max.

1.750-2.500

1.750-2.500

Rendelési méret (BRM) 
strangajtó
Szélesség 
min.-max.

500-1.000

-

Rendelési méret (BRM) 
strangajtó
Magasság 
min.-max.

715-1.750

-

Biztonsági felszereltség
Ellenállósági osztály

RC2

RC2

A biztonsági csapok száma szárnyanként

2 db 
(EI2 90-nél 2.126 mm-től = 3 db)

2 db 
(EI2 90-nél 2.126 mm-től = 3 db)

PZ biztonsági zár

*

*

Állószárnyban letűző rúdzár (reteszelés felfelé és lefelé)

-

*

Felfúrás ellen védett biztonsági cilinderbetét

*

*

Ajtólap
Ajtólap vastagsága kb.

64

64

Lemezvastagság (opcionálisan)

1 (1,5)

1 (1,5)

3-oldali vastagfalc

*

*

NyitásirányDIN szerint

balos vagy jobbos

balos vagy jobbos

Hőátbocsátási tényező DIN EN ISO 10 077-1 szerint

Ud = 1,5 
W/m²K

Ud = 1,7
W/m²K

EI2 30
Ud=1,5 W/m²K

EI2 60
Ud=1,6 W/m²K

EI2 90
Ud=1,8 W/m²K

Falazat
Kőműves fal

≥ 115

≥ 175

≥ 115

≥ 175

Betonfal

≥ 100

≥ 140

≥ 100

≥ 140

Pórusbetonfal

≥ 175

≥ 175

≥ 175

≥ 175

Vasbeton pórusbeton falpanelek 

≥ 150

≥ 175

≥ 150

≥ 175

F60-A/Ei60 vagy F90-A/Ei90 biztonsági acél vázas szerelt falak

≥ 100

≥ 100

≥ 100

≥ 100

F60-B/Ei60 favázas szerelt falak

≥ 130 
(csak EI2 30)

-

≥ 130 
(csak EI2 30)

-

F60-A/R60 vagy F90-A/R90 burkolt acélszerkezet

ajánlat-
kérésre

ajánlat-
kérésre

ajánlat-
kérésre

ajánlat-
kérésre

További választható kivitelek
Felülvilágító blende (max. magasság 1000)

-

-

-

-

Felülvilágító üveg (max. magasság 1000)

-

-

-

-

Füstgátlás

*

*

*

*

Hanggátlás

EI2 30 23-44 dB* EI2 60 22-36 dB*

23-45 dB*

EI2 30 22-43 dB* EI2 60 22-38 dB*

22-43 dB*

Üvegezés

*

*

*

*

Európai műszaki értékelés beltéri ajtókra

ETA-17/0443 
EI2 30, EI2 60 
CE

ETA-17/0443
EI2 90 
CE

ETA-17/0443 
EI2 30, EI2 60 
CE

ETA-17/0443
EI2 90 
CE

CE tanúsítás kültéri ajtókra EN 16034 és EN 14351-1 szabványok szerint

EI2 30 CE, EI2 60 
CE

EI2 90 
CE

EI2 30 CE, EI2 60 
CE

EI2 90 
CE

Vizsgálati jegyzőkönyv száma

261 8191-GS S01

261 8191-GS S01

Minden méret mm-ben
BR = beépítési méret, RAM = tok külméret, LD = szabad átjáróméret
* A megadott hanggátlási értékek laborértékek tele lapos konstrukció esetén. Hanggátlási érték a beépített ajtóelem esetén: laborérték - 5 dB.
* rendelhető       - nem rendelhető
Műszaki adatok NovoPorta Premio EI 30-1/2 / 60-1/2 / 90-1/2 / RC 3

Betörésvédelmi osztály

Ajtótípus

RC3

NOVOPORTA PREMIO

RC3

NOVOPORTA PREMIO

 

EI2 30-1/EI2 60-1

EI2 90-1

EI2 30-2/EI2 60-2

EI2 90-2

Engedélyezett méretek
Rendelési méret (BRM)Szélesség 
min.-max.

625-1.375

1.375-2.500

Rendelési méret (BRM)Magasság 
min.-max.

1.750-2.500

1.750-2.500

Rendelési méret (BRM)
strangajtó
Szélesség 
min.-max.

500-1.000

-

Rendelési méret (BRM)
strangajtó
Magasság 
min.-max.

715-1.750

-

Biztonsági felszereltség
Ellenállósági osztály

RC3

RC3

Biztonsági csapok száma szárnyanként

2 (3)

2 (3)

PZ biztonsági zár

*

*

Állószárnyban letűző rúdzár (reteszelés felfelé és lefelé)

-

*

Felfúrás ellen védett biztonsági cilinderbetét

*

*

Ajtólap
Ajtólap vastagsága kb.

64

64

Lemezvastagság (opcionálisan)

1 (1,5)

1 (1,5)

3-oldali vastag falc

*

*

NyitásirányDIN szerint

balos vagy jobbos

balos vagy jobbos

Hőátbocsátási tényező DIN EN ISO 10 077-1 szerint

Ud = 1,8 
W/m²K

Ud = 1,8
W/m²K

Ud = 1,9 
W/m²K

Ud = 1,9
W/m²K

Falazat
Kőműves fal

≥ 115

≥ 175

≥ 115

≥ 175

Betonfal

≥ 120

≥ 140

≥ 120

≥ 140

Pórusbetonfal

≥ 240

≥ 240

≥ 240

≥ 240

Vasbeton pórusbeton falpanelek 

≥ 240

≥ 240

≥ 240

≥ 240

F90-A/Ei60 vagy F90-A/Ei90 biztonsági acél vázas szerelt falak

≥ 100

≥ 100

≥ 100

≥ 100

F90-A/R90 burkolt acélszerkezet 

ajánlat-
kérésre

ajánlat-
kérésre

ajánlat-
kérésre

További választható kivitelek
Felülvilágító blende (max. magasság 1000)

-

-

-

-

Felülvilágító üveg (max. magasság 1000)

-

-

-

-

Füstgátlás

*

*

*

*

Hanggátlás

23-45 dB*

23-45 dB*

22-43 dB*

22-43 dB*

Üvegezéssel is

*

*

*

*

Európai műszaki értékelés beltéri ajtókra

ETA-17/0443 
EI2 30, EI2 60 
CE

ETA-17/0443
EI2 90 
CE

ETA-17/0443 
EI2 30, EI2 60 
CE

ETA-17/0443
EI2 90 
CE

CE tanúsítás kültéri ajtókra EN 16034 és EN 14351-1 szabványok szerint

EI2 30 CE, EI2 60 
CE

EI2 90 
CE

EI2 30 CE, EI2 60 
CE

EI2 90 
CE

Vizsgálati jegyzőkönyv száma

45-53/18

45-53/18

Minden méret mm-ben
BR = beépítési méret, RAM = tok külméret, LD = szabad átjáróméret
* A megadott hanggátlási értékek laborértékek tele lapos konstrukció esetén. Hanggátlási érték a beépített ajtóelem esetén: laborérték - 5 dB.
* rendelhető       - nem rendelhető
toktípusok

Saroktok

NovoSecur E-S 6

NovoPorta Premio
E-S-1/EI2 30-1/60-1/90-1
E-S-2/EI2 30-2/60-2/90-2

Saroktok + ellentok

NovoSecur E-S 6

NovoPorta Premio
E-S-1/EI2 30-1/60-1/90-1
E-S-2/EI2 30-2/60-2/90-2

Válaszfaltok

NovoSecur E-S 6
1-részes

NovoSecur E-S 6 
2-részes

NovoPorta Premio
E-S-1/EI2 30-1/60-1/90-1
E-S-2/EI2 30-2/60-2/90-2 
1-részes

NovoPorta Premio
E-S-1/EI2 30-1/60-1/90-1
E-S-2/EI2 30-2/60-2/90-2 
2-részes (2140B típus)

Blokktok

NovoSecur E-S 6 
1-es típus

NovoPorta Premio
E-S-1/EI2 30-1/60-1/90-1
E-S-2/EI2 30-2/60-2/90-2 
1-es típus

NovoPorta Premio
E-S-1/EI2 30-1/60-1/90-1
E-S-2/EI2 30-2/60-2/90-2 
2-es típus

Minden méret mm-ben van megadva.  BRM= rendelési méret
Egyedi kivitelű, utólag beépíthető tokok NovoSecur E-S 6 típushoz ajánlatkérésre.

Tok rögzítési módok

Saroktok

NovoSecur E-S 6

NovoPorta Premio
E-S-1/EI2 30-1/60-1/90-1
E-S-2/EI2 30-2/60-2/90-2

NovoPorta Premio
E-S-1/EI2 30-1/60-1/90-1
E-S-2/EI2 30-2/60-2/90-2

NovoPorta Premio
E-S-1/EI2 30-1/60-1/90-1
E-S-2/EI2 30-2/60-2/90-2

Saroktok + ellentok

NovoSecur E-S 6

NovoPorta Premio
E-S-1/EI2 30-1/60-1/90-1
E-S-2/EI2 30-2/60-2/90-2

NovoPorta Premio
E-S-1/EI2 30-1/60-1/90-1
E-S-2/EI2 30-2/60-2/90-2

Válaszfaltok

NovoSecur E-S 6

NovoSecur E-S 6

NovoPorta Premio
E-S-1/EI2 30-1/60-1/90-1
E-S-2/EI2 30-2/60-2/90-2

NovoPorta Premio
E-S-1/EI2 30-1/60-1/90-1
E-S-2/EI2 30-2/60-2/90-2

NovoPorta Premio
E-S-1/EI2 30-1/60-1/90-1
E-S-2/EI2 30-2/60-2/90-2

NovoPorta Premio
E-S-1/EI2 30-1/60-1/90-1
E-S-2/EI2 30-2/60-2/90-2

Blokktok

NovoSecur E-S 6
1-es típus

NovoPorta Premio
E-S-1/EI2 30-1/60-1/90-1
E-S-2/EI2 30-2/60-2/90-2
1-es típus

NovoPorta Premio
E-S-1/EI2 30-1/60-1/90-1
E-S-2/EI2 30-2/60-2/90-2
2-es típus

Küszöbök

KÜSZÖBTÍPUSOK NOVOPORTA PREMIO AJTÓKHOZ

“A”
síkban padlóra záródó

“B1”
4-oldalon körbefutó keret, 
1.750 mm magasságtól 
(ajtólap és tok 4-oldalon falcolt)

“B1”
4-oldalon körbefutó keret, 
1.749 mm magasságig strangajtókhoz
(ajtólap és tok 4-oldalon falcolt)

“B2”
4-oldalon körbefutó keret 
1.749 mm-ig strangajtókhoz, 
és 1.750 mm-től normál ajtókhoz
 

“BE-3”
4-oldalon körbefutó keret 
ütközőküszöb tömítéssel

“BE-2”
4-oldalon körbefutó keret 
ütközőküszöb tömítéssel

“C2”
küszöb alsó ütközővel és tömítéssel

“C2”
küszöb alsó ütközővel és tömítéssel 
padlóbeállós tokok esetén

“RS1”
süllyedőküszöb

“2xRS1”
dupla süllyedőküszöb

“RS2”
íves tömítőprofil ráfutóküszöbbel

KÜSZÖBTÍPUSOK NOVOSECUR E-S 6 AJTÓKHOZ

standard ráfutóküszöb

opcionális: süllyedőküszöb

opcionális: “BE2” ütközőküszöb

Felkeltettük az érdeklődését?

Keressen bennünket a KAPCSOLAT-fülön található elérhetőségeinken.